EF 90° Eşit TE
EF EŞİT TE 90°
EF EQUAL TEE 90°
ЭФ ТРОЙНИК 90°
Elektrofüzyon/Elektrofüzyon /
Malzeme:HDPE100+ /
Standart:TSEN1555-3:2010+A1•TSEN12201-3+A1
EF EQUAL TEE 90°
ЭФ ТРОЙНИК 90°
Elektrofüzyon/Elektrofüzyon /
Malzeme:HDPE100+ /
Standart:TSEN1555-3:2010+A1•TSEN12201-3+A1
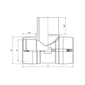
TEKNİK ÖZELLİKLER
| D | Makale numarası | D | Z | le1 | le2 | Ağırlık | Ambalaj |
| mm | mm | mm | mm | mm | kilogram | Öğeler | |
| 20 | 101 117 2041 0020 | 44 | 98 | 35 | 65 | 0,130 | 75 |
| 25 | 101 117 2041 0025 | 44 | 98 | 35 | 65 | 0,120 | 75 |
| 32 | 101 117 2041 0032 | 44 | 98 | 35 | 65 | 0,100 | 50 |
| 40 | 101 117 2041 0040 | 52 | 131 | 44 | 59 | 0,163 | 18 |
| 50 | 001 117 2041 0050 | 64 | 138 | 43 | 55 | 0,190 | 25 |
| 63 | 001 117 2041 0063 | 82 | 164 | 49 | 63 | 0,360 | 20 |
| 75 | 001 117 2041 0075 | 95 | 189 | 55 | 70 | 0,550 | 14 |
| 90 | 001 117 2041 0090 | 112 | 210 | 65 | 79 | 0,820 | 7 |
| 110 | 001 117 2041 0110 | 139 | 260 | 72 | 82 | 1.450 | 6 |
| 125 | 001 117 2041 0125 | 160 | 268 | 77 | 87 | 2.240 | 4 |
| 160 | 001 117 2041 0160 | 195 | 320 | 86 | 98 | 3.340 | 2 |
| 180 | 001 117 2041 0180 | 230 | 340 | 88 | 105 | 5.300 | 2 |
Daha fazla bilgi için müşteri hizmetlerine başvurunuz.

